Nemokami skelbimai, perku parduodu

Skelbimas

Skelbimų sritys


Naujas skelbimas

I-II kurso studentams matematikos, teorinės elektrotechnikos rašto darbai

Skelbimo nr. 231734, įdėtas 2014-09-23 · Perskaitė: 180

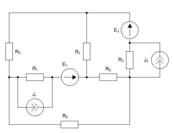
Studentams, laiku nesuspėjantiems atsiskaityti už kursinius, namų bei kitus savarankiškus darbus, teorinėje elektrotechnikoje taikomais būdais (Kirchhofo dėsniai, mazgų potencialų, kontūrų srovių, superpozicijos principo, ekvivalentinio šaltinio metodai) prieinamomis kainomis skaičiuoju nuolatinės srovės grandines, vienfazes ir trifazes (jungimas trikampiu arba žvaigžde, simetriniais ir nesimetriniais variantais) kintamosios srovės grandines, pereinamuosius procesus grandinėse klasikiniu ir operaciniu būdais. Kintamosios srovės parametrams braižau vektorių diagramas.
Atlieku elektronikos ir informatikos užduotis (projektuoju ir braižau logines schemas, joms sudarau logines funkcijas pagal teisingumo lenteles, logines funkcijas minimizuoju Karno-Veičo diagramų pagalba).
Taip pat atlieku matematikos užduotis: veiksmai su matricomis, ekonominės sistemos balanso Leontjevo modelis, tiesinių lygčių sistemų sprendimas, analizinė geometrija, vektorių algebra, funkcijų tyrimas, funkcijų ribų skaičiavimas, išvestinių skaičiavimas, integralų skaičiavimas, lauko teorijos užduočių sprendimas, eilučių konvergavimo nustatymas, operacinis skaičiavimas, diferencialinių lygčių sprendimas, tikslo funkcijos parametrų skaičiavimas, optimalaus gamybos plano sudarymas tikslo funkcijos pagalba, tiesinių nelygybių sistemų sprendimas. Atlieku matematikos užduotis ir moksleiviams.

 skelbimai  skelbimo nuotrauka  skelbimo nuotrauka  skelbimo nuotrauka


Kiti šio autoriaus skelbimai



Kiti skelbimai iš kategorijos "Kursai, mokymai"
 TECHIN: Profesinis mokymas ir technologijos vienoje vietoje.
papildomasPapildomas mokymo kursas pažeidusiems KET
transportoTransporto vadybininko kursai Šiauliuose
adrADR kursai
kategorijosB kategorijos kursai Šiauliuose
nekilnojamojoNekilnojamojo turto paskolos pasiūlymas ir vartojimo
techinTECHIN: Profesinis mokymas ir technologijos vienoje vietoje
pardavimuPardavimų mokymai
angluAnglų kalbos pamokos pagal lygį
 ##MDMA Pills Dubai +27636605847 Xanax,Lyrica pills in Qatar,Riyadh

Kontaktai

Autorius: Nerijus
Miestas: Kaunas
Telefonas: 868893373
Skype: piromanija1
El. paštas: piromanija2011@gmail.com


  • Komentuoti
  • Blogas skelbimas?
  • Spausdinti

  • Skelbimas įdėtas: 2014-09-23
  • Galioja: neribotai


 


© ManoSkelbimai.lt - Nemokami skelbimai
Reklama, skelbimai